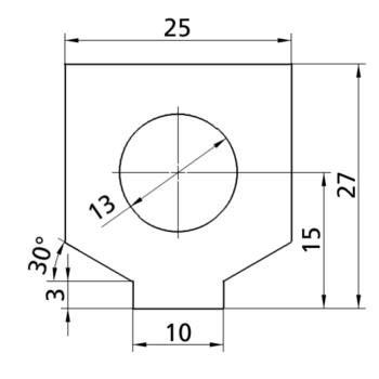
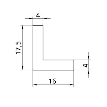
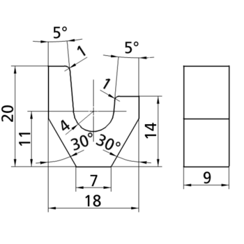
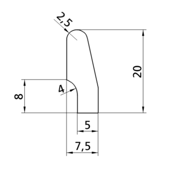
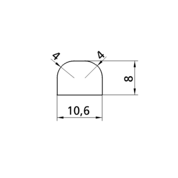
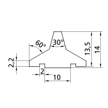
Entraîneurs dorsaux à partir d'un moule existant
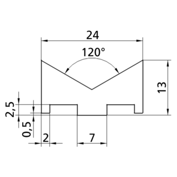
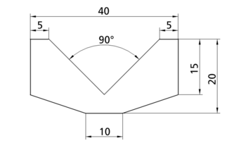
Entraîneurs dorsaux à partir d'un moule existant